2021年文华学院普通专升本电路理论考试大纲
来源:湖北专升本网 阅读人数:188 时间:2021-05-18 14:18
2021年文华学院普通专升本电路理论考试大纲已经出来了,大家还有时间,根据考试大纲来弥补自己薄弱的地方。


以上就是2021年文华学院普通专升本电路理论考试大纲全部内容了,大家要好好复习,祝大家都有个好成绩。
2021年文华学院普通专升本考试大纲汇总表

文华学院 2021 年普通专升本考试
《电路理论》考试大纲
第一部分 考试说明
一、考试概况
本课程考试是为在电气信息类及相关专业中选拔优秀专科毕业生进入本科阶段学习而组织的考试。《电路理论》是电气信息类专业的一门重要基础课。通过本课程的学习,使学生掌握电路的基础知识、基本规律与分析方法,为后续课程的学习及今后的实际工作打下基础。考试的指导思想是考查学生对本课程概念、理论与主要知识点的掌握程度,及应用电路理论、方法分析解决问题的能力。
二、考试方式与考试时间
(1)答卷方式:闭卷,笔试
(2)记分方式:满分为 150 分
(3)考试时间:90 分钟
三、参考书目
(1)《电路理论》,孙亲锡、张新建、李海华编著,机械工业出版社,2011
(2)《电路》,邱关源主编,高等教育出版社,2006
第二部分 考试范围、考试内容及试卷结构
一、考试范围及考试内容
1.电路的基本概念及常用元件
1)内容与要求
(1)掌握电流、电压、功率,及参考方向的概念;
(2)熟悉电阻、电容和电感元件,掌握各元件上电压与电流的关系;
(3)掌握独立电压源、独立电流源,以及受控源的特性;
(4)掌握理想运算放大器的特性,以及含有理想运算放大器电路的分析。
2)考核要点
(1)基本知识点:电流、电压、功率的计算;独立电压源;独立电流源
(2)拔高知识点:受控源、理想运算放大器
2.电路的基本定律及等效分析法
1)内容与要求
(1)重点掌握欧姆定律和基尔霍夫定律(KCL、KVL),并能够灵活应用;
(2)掌握电阻串、并联等效和 Y-△等效变换,能熟练使用分压与分流公式;
(3)掌握输入电阻的计算方法;
(4)掌握实际电压源与实际电流源之间的等效变换,并能够熟练应用。
2)考核要点
(1)基本知识点:基尔霍夫定律、串并联等效、分压与分流公式
(2)拔高知识点:Y-△等效、输入电阻、实际电源的等效变换
3.电路的方程分析法
1)内容与要求
(1)了解 KCL、KVL 方程的独立性,掌握支路电流分析法;
(2)掌握网孔分析法;
(3)掌握节点分析法。
2)考核要点
(1)基本知识点:支路电流法
(2)拔高知识点:网孔分析法、节点分析法
4.电路的定理分析法
1)内容与要求
(1)掌握叠加定理;
(2)掌握戴维南定理和诺顿定理;
(3)理解最大功率传输定理;
(4)了解互易定理。
2)考核要点
(1)基本知识点:叠加定理、戴维南定理
(2)拔高知识点:最大功率传输定理
5.动态电路的时域分析
1)内容与要求
(1)掌握换路定理,以及动态电路零初始条件的求解;
(2)理解一阶电路的零输入响应、零状态响应和全响应;
(3)掌握一阶电路的三要素分析法。
2)考核要点
(1)基本知识点:零初始条件的求解、三要素分析法
(2)拔高知识点:全响应
6.单相正弦交流电路
1)内容与要求
(1)理解正弦量的相量表示方法;
(2)掌握电阻、电感、电容元件上电压与电流的相量关系;
(3)理解阻抗和导纳的概念,掌握阻抗的串联和并联;
(4)掌握复杂交流电路的分析方法;
(5)掌握正弦稳态电路的有功功率、无功功率、视在功率的计算;
(6)了解功率因数的提高、了解谐振电路。
2)考核要点
(1)基本知识点:元件上电压与电流的相量关系、功率的计算
(2)拔高知识点:复杂交流电路的分析
7.三相电路
1)内容与要求
(1)了解三相电源、三相负载的概念,以及三相电路的连接方式;
(2)掌握对称三相电路线电压(电流)与相电压(电流)的关系;
(3)掌握对称三相电路的分析与计算;
(4)掌握三相电路的功率计算。
2)考核要点
(1)基本知识点:线电压(电流)与相电压(电流)的关系
(2)拔高知识点:对称三相电路的分析与计算
8.含有耦合电感电路的分析
1)内容与要求
(1)理解互感、同名端的概念;
(2)掌握耦合电感元件的串联、并联,以及 T 型去耦合化简;
(3)掌握理想变压器的计算,以及阻抗变换的性质。
2)考核要点
(1)基本知识点:互感、同名端的概念、耦合电感电路的等效化简
(2)拔高知识点:理想变压器的计算
二、试卷结构
1.命题范围
命题范围涵盖课程的所有章节,本大纲所提到的知识点是重点。
2.难易程度
本试题难易程度可分为四档:易、较易、较难、难,这四档在试卷中所占的
比例约为 2:3:3:2。
3.试卷题型
单项选择题约占 16%;填空题约占 20%;计算题约占 64%。
附录 题型举例
一、单项选择题
1、电压的单位是__________。
A.伏特 B.安培 C.瓦特 D.欧姆
2、图示电路中 a、b 端的等效电阻 Rab 应为__________。


二、填空题
1、如图所示,若已知元件 A 吸收功率 10 W,则电压U 为__________ V。


2、电路如图所示,则电阻 R1 = ____W ; R2 = ____W ; R3 = ____W ; R4 = ____W 。


三、计算题
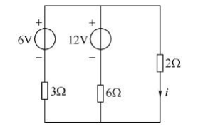
1、电路如图所示,用网孔分析法计算电路中的电流 i。

以上就是2021年文华学院普通专升本电路理论考试大纲全部内容了,大家要好好复习,祝大家都有个好成绩。
编辑推荐:
2021年文华学院普通专升本招生简章2021年文华学院普通专升本考试大纲汇总表



